全国统一服务热线:
0757-85396681
首页
品牌
产品
新闻
招商加盟
门店
工程案例
实景案例
风云人物
线上商学院
下载中心
EN
搜索内容
close
搜索内容
enther
首页
品牌
集团介绍
品牌简介
智造基地
品牌荣誉
发展历程
联系我们
产品
大理石瓷砖系列
柔光系列
高端岩板系列
现代仿古砖系列
木纹砖|布纹砖系列
厨卫内墙砖系列
新闻
产品资讯
终端新闻
品牌动态
媒体聚焦
集团新闻
装修百科
招商加盟
政策解读
在线预约
门店
总部展厅
总部VR
全国门店
工程案例
学校
商业
住宅
政企
实景案例
风格
空间
风云人物
最具影响力人物
最佳新生代人物
线上商学院
品牌优势
销售技巧
渠道拓展
产品知识
其他课程
下载中心
广告资料
活动促销
产品图片
广告视频
学习资料
EN
NEWS
新闻
产品资讯
终端新闻
品牌动态
媒体聚焦
集团新闻
装修百科
产品资讯
终端新闻
品牌动态
媒体聚焦
集团新闻
装修百科
当前位置:
首页
新闻
集团新闻
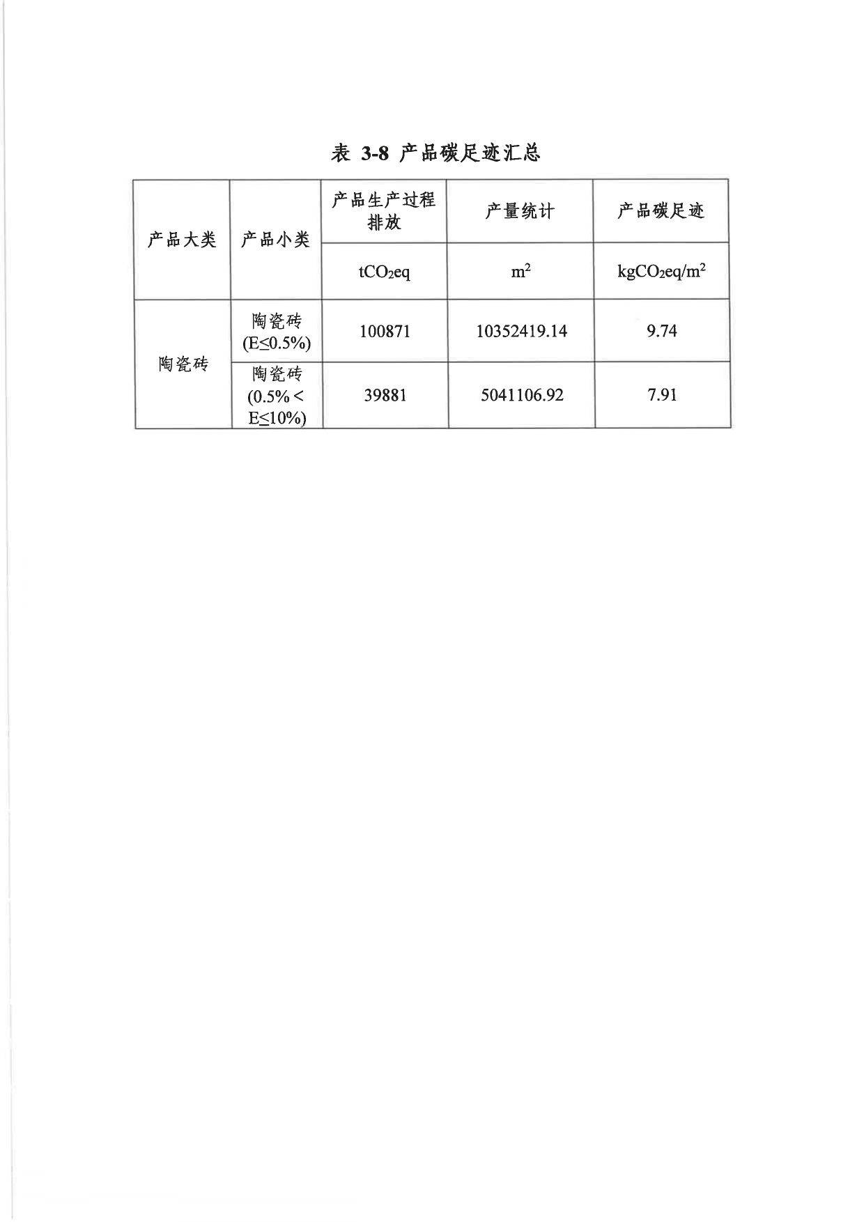
2024年产品碳足迹核算报告书-冠星陶瓷
发布日期:2025-04-24
阅读量: 322
作者:冠星王
< 上一个
返回列表
下一个>
更多新闻
星趋势 迎未来丨冠星王陶瓷2023年中战略研讨会圆满举行
业主美家丨全屋通铺灰色雅光砖,打造高级美宅
贵阳冠星王旗舰店450㎡|自然与艺术的交融之美
天猫
视频
联系我们
一键导航
EN
Copyright©2023 冠星王陶瓷 版权所有 已申请版权,侵权必究! 法律申明 备案号:
粤ICP备19028333号
粤公网安备44180202000610号
技术支持:
准度科技
电话
留言
微信
提交成功!
在线留言
O
NLINE
MESSAGE
先生
女士
留言